Zum Hauptinhalt springen

Kostenloser Standardversand ab 150€

Kostenloser Standardversand ab 150€ in DE
DICTUM Zufriedenheits-Garantie
30 Tage Rückgaberecht

Sprache

Währung

Preisdarstellung

Die Preisdarstellung bezieht sich auf alle Preise und ist jederzeit änderbar.
Dictum Plus

Grundwissen Holzverbindungen

Was sind die wichtigsten Holzverbindungen, wozu dienen sie und wie lassen sie sich unterscheiden? Bei unseren Projekten und Tutorials verwenden wir meist eine oder mehrere Holzverbindungen. Dabei gehen wir als gelernte Handwerker oft davon aus, dass die Begriffe, die wir verwenden, klar sind und jeder weiß, warum diese und jene Holzverbindung gemacht wird und zu welchem Zweck sie dient. Bei der Vorbereitung dieses Themas ist uns aber aufgefallen, dass Holzverbindungen ein recht komplexes Thema sind. Wir haben deshalb das Thema Holzverbindungen gegliedert und in eine nachvollziehbare Systematik gebracht. Wir schauen uns zunächst an, wozu Holzverbindungen dienen und nach welchen Kriterien sie sich unterteilen lassen. Später betrachten wir dann die wichtigsten traditionellen Holzverbindungen etwas genauer.

Wozu dienen Holzverbindungen?

Fixierung. Holzverbindungen sollen mehrere Teile bzw. Werkstücke verbinden und in der gewünschten Position fixieren. Dies gilt zumindest für feste Verbindungen. Es gibt auch bewegliche und lösbare Verbindungen, die jedoch nicht Teil dieser Betrachtung sein sollen. 

Kraftübertragung. Holzverbindungen übertragen und verteilen die auftretenden Kräfte (Druck-, Zug- und Scherkräfte etc.) möglichst so auf alle Teile, dass das Werkstück bzw. die Verbindung den Belastungen standhält. Der Grundsatz lautet: Die Belastbarkeit einer Holzverbindung muss stets größer sein als ihre Beanspruchung. 

Vergrößerung der Leimfläche. Bei der Kraftübertragung spielt Leim eine wesentliche Rolle. Er sorgt selbst bei stumpf aneinandergefügten Holzflächen für die Kraftübertragung von einem Werkstück auf das andere. Um diese Eigenschaft optimal zu nutzen, sind viele Holzverbindungen darauf ausgelegt, die Leimfläche zu vergrößern. In unserer Klebstofffibel haben wir dieses Thema ausführlich behandelt.

 

Holzverbindungen nach Orientierung der Werkstücke

Sehr einfach lassen sich Holzverbindungen anhand der Orientierung der Werkstücke zueinander in drei Gruppen unterteilen. 

Breitenverbindungen. Sie werden auch Parallelverbindungen genannt, da die Werkstücke, die verbunden werden, parallel zueinander ausgerichtet sind. Meist dienen diese Verbindungen dazu, aus mehreren schmalen Werkstücken eine größere Fläche zu erstellen. Dies machen wir zum Beispiel immer dann, wenn aus mehreren Massivholzstreifen eine größere Brettfläche verleimt wird, um das Werfen des Holzes zu minimieren.

Längsverbindungen. Bei ihnen geht es meist darum, aus zwei oder mehreren kurzen Leisten oder Balken ein längeres Werkstück zusammenzusetzen. Längsverbindungen benötigen wir in der Schreinerei, verglichen mit den anderen Verbindungsarten, eher selten. Europa ist eine waldreiche Gegend und Holz steht uns meist in ausreichender Länge zu Verfügung. Anders ist dies zum Beispiel auf den japanischen Inseln, wo Holz ein knapper Rohstoff war und jedes kurze Holzstück nach Möglichkeit sinnvoll verwendet wurde. In Japan hat sich deshalb eine Vielzahl an Längsholzverbindungen entwickelt. 

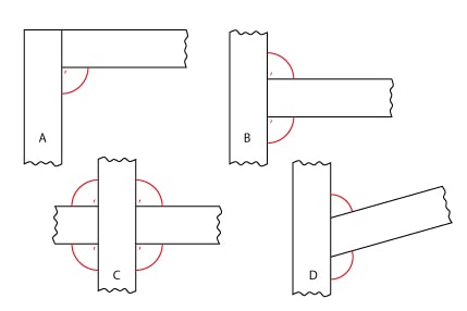
Eckverbindungen sind der wohl meistgenutzte Verbindungstyp. Immer, wenn zwei Werkstücke in einem Winkel miteinander verbunden werden, sprechen wir von »Eckverbindungen«. Diese lassen sich nach der Bauweise des Möbelstücks noch weiter unterteilen, das schauen wir uns weiter unten genauer an.

Als Eckverbindung bezeichnen wir allgemein nur Verbindungen, bei denen zwei Teile an einem Ende im rechten Winkel aufeinandertreffen, sodass ein einziger Innenwinkel entsteht. Aus den Eckverbindungen lassen sich jedoch noch die folgenden Unterkategorien ableiten: 

T-Verbindungen (B). Bei ihnen trifft ein Werkstück das andere nicht an dessen Ende, sondern in seiner Fläche bzw. in der Strecke, sodass zwei Innenwinkel entstehen. 

Kreuzverbindungen (C). Hierbei überlagern sich beide Werkstücke, sie kreuzen sich, sodass dadurch vier Innenwinkel entstehen. 

Winklige und geschiftete Verbindungen (D). Bei winkligen Verbindungen treffen die Teile in einer Achse nicht rechtwinklig aufeinander, also nicht im 90°-Winkel, und bei geschifteten Verbindungen sind gleich mehrere Achsen verschoben.


Eckverbindungen lassen sich in weitere Kategorien unterteilen.

Unterteilung von Eckverbindungen nach Bauweise

Möbelkonstruktionen können wir nach ihrer Bauweise unterscheiden. Allgemein werden sie in die drei Bauweisen Rahmenbauweise, Brett- oder Plattenbauweise und Stollenbauweise unterteilt. Ein Möbelstück kann auch mehrere Bauweisen miteinander vereinen. So kann beispielsweise der Korpus eines Schranks in Stollenbauweise gefertigt sein und seine Türen in Rahmenbauweise. Jede Bauweise benötigt ihre eigenen Holzverbindungen. Bei der Rahmenbauweise kommen sog. Rahmeneckverbindungen inkl. der Unterkategorien T- und Kreuzverbindungen vor. Beispiele hierfür sind Schlitz und Zapfen und Kreuzüberblattung. Für die Brett- und Plattenbauweise werden hauptsächlich sog. Flächeneckverbindungen verwendet. Verglichen mit der Rahmenbauweise haben die Werkstücke eine größere Tiefe. Beispiele für Flächeneckverbindungen sind Schwalben und Zinken und Gratverbindungen. Typisch für die Stollenbauweise sind Möbel, bei denen vier Eckpfosten als Grundbaustein das gesamte Möbelstück tragen. Um die Eckpfosten zu einem Korpus zu verbinden, kommen sog. Stolleneckverbindungen zum Einsatz. Diese sind meist eine Kombination von Rahmeneckverbindungen und auch Mischformen zwischen Rahmeneck- und Flächeneckverbindungen. Ein typisches Beispiel sind die eingestemmten Zapfen bei einer Stuhlkonstruktion. Die konkrete Bezeichnung einer Holzverbindung schließt also auch immer eine Definition der Bauweise mit ein. So kann ein eingestemmter Zapfen eine Rahmenecke sein oder im Stollenbau die Zarge mit dem Stollen verbinden.

Was sind die wichtigsten traditionellen Holzverbindungen?

Holzverbindungen sind ein weites Feld. Es würde den Rahmen dieses Beitrags sprengen, alle Holzverbindungen auch nur ansatzweise vorzustellen. Traditionelle Holzverbindungen sind die bei uns in Europa gebräuchlichen Verbindungen, von denen wir uns die wichtigsten anschauen möchten, also die Verbindungen, die jeder Schreiner in seiner Ausbildung kennenlernt. Um die Vielfalt an Holzverbindungen in eine Reihenfolge zu bringen, haben wir uns an deren Komplexität orientiert. So ist unsere »Evolution der Holzverbindung« entstanden, welche die Entwicklung der Holzverbindungen von der einfachen stumpfen Eckverbindung zur komplexen Trichterzinkung aufzeigt.


Stumpfe Verbindung. Die Verbindungen halten nur durch Leim oder andere Verbindungsmittel (Dübel, Fremdfedern etc.). Als Eckverbindungen sind stumpfe Holzverbindungen ungünstig, da oft Stirnholz auf Längsholz trifft und beim Verleimen deshalb keine haltbare Verbindung entsteht. Als Parallelverbindung, Längsholz an Längsholz verleimt, sind sie jedoch recht haltbar. Verbreitetes Beispiel für stumpfe Verbindungen sind verleimte Holzplatten. 


Gehrung. Eine etwas bessere Konstruktion bieten Gehrungen. Hier trifft Hirnholz auf Hirnholz bzw. Längsholz liegt an Längsholz, wodurch ein durchgehender Faserverlauf entsteht, der eine bessere Kräfteverteilung und eine etwas größere Leimfläche bietet. Die Verbindung hält aber auch nur durch Leim oder andere Verbindungsmittel. Gehrungen sind optisch ansprechend, weshalb viele komplexere Verbindungen »auf Gehrung« gefertigt werden. 


Überblattung (einfach, über Kreuz). Sie vergrößern die Leimfläche deutlich und Längsholz wird mit Längsholz verbunden. Einfache Überblattungen sind aber nicht selbstsichernd, d.h. Überblattungen lassen sich in allen Achsen trennen. Kreuzüberblattungen bieten bereits mehr Halt, da sie nur noch in einer Achse einfach getrennt werden können. Typisches Anwendungsbeispiel für Überblattungen sind Sprossenkreuze an Holzfenstern. 

Falz. Im Grunde eine Überblattung im Kleinen, meist an Längskanten zu finden. Falze erlauben dem Holz zu schwinden und zu quellen, ohne dass ein durchgehender Spalt entsteht. Beispiel für einfache gefalzte Verbindungen finden wir bei Fußbodendielen und Wandpaneelen. 

Nut und Feder. Bei zwei gegenüberliegenden Falzen entsteht in der Mitte eine Feder. Das Gegenstück dazu bildet die Nut. Nut und Feder werden wie Falze oft als lose Verbindung eingesetzt, um dem Holz das Arbeiten zu ermöglichen. Im Gegensatz zum einfachen Falz sind Nut und Feder nur noch in zwei Achsen verschiebbar. Beispiele sind maschinell oder handgefertigte Eckverbindungen als Rahmen- oder Flächeneckverbindung. 

Schlitz und Zapfen (einfach, auf Gehrung, doppelt etc.). Im Grunde ist eine Schlitz-und-Zapfen-Verbindung eine verlängerte Feder mit entsprechend großer Nut. Eine einfache Ecke mit Schlitz und Zapfen kann in zwei Achsen gelöst werden. Dagegen lässt sich ein eingestemmter Zapfen, als Eck- oder T-Verbindung, nur noch in eine Richtung trennen. Im Vergleich zur einfachen Überblattung vergrößert eine Schlitz-und-Zapfen-Verbindung die Leimfläche auf das Doppelte. Um die Leimfläche weiter zu vergrößern, wird bei dickeren Materialstärken nicht der Zapfen dicker (1/3-Teilung), sondern die Breite weiter geteilt (1/5 oder 1/7-Teilung) und Doppel- oder Dreifach-Zapfen gefertigt. Dadurch vergrößert sich die Leimfläche enorm und die Kräfte werden auf die Werkstücke besser verteilt.

Gratverbindungen (durchgehend, verdeckt…) können wir ebenfalls als eine Weiterentwicklung von Nut und Feder betrachten. Die Verbindung wird durch die Keilform in einer zusätzlichen Achse auszugssicher. Richtig gefertigt (leicht keilförmig zulaufend), bildet die Gratverbindung eine form- und kraftschlüssige Verbindung, die nicht verleimt werden muss. Gratverbindungen werden meist als T-Verbindung, selten als Eckverbindung gefertigt. Als sog. Gratleiste (Längsholzleiste in Querholzfläche eingeschoben), ist sie häufig an Tischplatten und alten Türen zu finden und verhindert dort das Verziehen der breiten Holzflächen. 


Zinken (Finger-, Schwalbenschwanz-, Trichterzinken etc.) sind sehr variantenreiche Holzverbindungen. Ihre einfachste Form sind die sog. Fingerzinken, die im Grunde aus vielen kleinen Schlitzen und Zapfen bestehen und somit eine sehr große Leimfläche bieten. Oft genutzt und als dekorative Holzverbindung sehr beliebt sind Zinken in Schwalbenform. Ebenso wie Gratverbindungen sind auch Schwalbenschwanzzinken durch ihre Keilform in einer zusätzlichen Achse auszugssicher. Es gibt viele unterschiedliche Varianten wie halbverdeckte Zinken, Zinkenverbindungen auf Gehrung, Trichterzinken und interessante Sonderformen wie japanische Teufelszinken. In unserem Video stellen wir ein paar dieser Zinkenformen etwas genauer vor. 


Dübel und Fremdfedern. Durch Verwendung von hölzernen Verbindungsmitteln wurden schon früh einfache Holzverbindungen zusätzlich gesichert. Holznägel und Dübel sind schon seit der Antike bekannt. Auch das Einsetzen von dünnen Holzplättchen zum Verbinden, sog. Fremdfedern bzw. lose Zapfen, hat eine lange Tradition. Moderne Varianten sind geriffelte Dübel und gepresste Flachdübel (sog. Lamellos und Dominos). Wenn Sie komplexere oder ausgefallenere Holzverbindungen probieren wollen, werfen Sie doch einen Blick auf unseren Onlinekurs Japanische Holzverbindungen

Unsere Top Auswahl für Sie



Folgende Beiträge könnten Sie interessieren



Traditionelle Holzverbindungen

Vorstellung der wichtigsten Verbindungen
Zum Video

Speed-Zinken

Schwalbenschwanz-Verbindung in nur 10 Minuten
Zum Blog

Wenn Sie bei uns bestellen

Kostenloser Standardversand

ab 150 € (brutto) Bestellwert innerhalb Deutschlands! (Speditionsware ausgenommen)

DICTUM Zufriedenheits-Garantie

Ausgewählte DICTUM Produkte können Sie dank Zufriedenheitsgarantie 15 Tage ausgiebig testen und prüfen.

30 Tage Rückgaberecht

Problemlos nach 30 Tagen zurücksenden

Newsletter mit echtem Mehrwert

  • Spannende Produktneuheiten und Markteinführungen
  • Ausgewählte Angebote exklusiv für Newsletter-Abonnenten
  • Tipps und Tricks aus der Welt der Werkzeuge und vieles mehr
Zum Newsletter anmelden